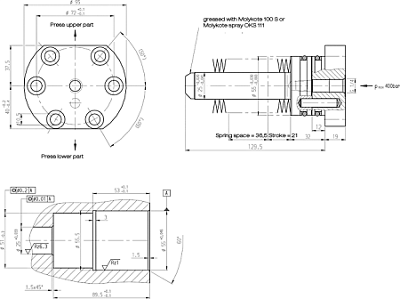
Зажимной поршень в сборе 6945-15-10
Зажимной поршень в сборе 6945-15-10
Арт. 61382
Цена: По запросу
В наличии
Заказать товар
Получить консультацию
Нужна консультация?
Наши специалисты ответят на любой интересующий вопрос
Задать вопрос
Артикул
61382
Производитель
220
- Гидравлический поршень из горячедеформируемой стали, улучшенный и отшлифованный.
- Крышка из улучшенной стали.
- В комплекте с тарельчатыми пружинами, кольцами круглого сечения, опорными кольцами, цилиндрическим штифтом и крепежными винтами ISO 4762.
- Класс прочности 8.8.
Характеристики

