от 4 084 772 руб.
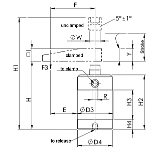
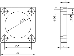
Поворотное зажимное устройство, пневматическое
Фильтр
По популярности (возрастание)
В наличии
В наличии
В наличии
В наличии
В наличии
В наличии
В наличии
В наличии
В наличии
В наличии

